全壓高速排氣閥
QSP型全壓高速雙口排氣閥是國內目前最先進的氣缸式排氣閥,在結構性能上完全超越了普通高速(雙口)排氣閥和復合式雙口排氣閥,對于管道中的氣體,無論是多段水柱,氣柱相間,有壓無壓均可連續高速排出管道,浮球不頂在排氣口上,不存在卡壞問題,少量氣體可通過微孔排出,管道出現負壓時可注氣,防氣染并緩沖水錘升壓,解除新建管路試車之險,排氣之難,減少城市管網爆管事故,減阻節能,減少壓力震蕩,提高整個供水系統及各種設備的安全可靠性。
產品概述
全壓高速排氣閥規格及類別,應符合管道設計文件的要求 | ||
全壓高速排氣閥的型號應注明依據的國標編號要求。若是企業標準,應注明型號的相關說明。 | ||
全壓高速排氣閥工作壓力,要求≥管道的工作壓力,在不影響價格的前提下,閥門可承受的工壓應大于管道實際的 | ||
全壓高速排氣閥制造標準,應說明依據的國標編號,若是企業標準,采購合同上應附企業文件。本類閥門在管道 | ||
型號:QSP | 公稱通徑DN:DN50-DN400 | 使用壓力MPa:1.0~1.6Mpa |
連接方式:法蘭 | 形式:自動 | 主要功能:吸氣,排氣 |
使用介質:水 | 材質:鑄鐵 鑄鋼 不銹鋼 | 標準:國標機械部標準或定做非標 |
QSP型全壓高速雙口排氣閥是國內目前最先進的氣缸式排氣閥,在結構性能上完全超越了普通高速(雙口)排氣閥和復合式雙口排氣閥,對于管道中的氣體,無論是多段水柱,氣柱相間,有壓無壓均可連續高速排出管道,浮球不頂在排氣口上,不存在卡壞問題,少量氣體可通過微孔排出,管道出現負壓時可注氣,防氣染并緩沖水錘升壓,解除新建管路試車之險,排氣之難,減少城市管網爆管事故,減阻節能,減少壓力震蕩,提高整個供水系統及各種設備的安全可靠性。
全壓高速排氣閥應用
全壓高速排氣閥采用法蘭連接,適用于壓力為1.0~1.6Mpa,工作溫度≤100℃的電廠循環水管道、水庫取水工程、電廠輸水管道化工、自來水公司輸水管等各種工礦的管路上,吸氣和排氣。
全壓高速排氣閥安裝位置
1、水泵出口,逆止閥之前的橫管上,在水泵啟動時排氣,停車時呼氣。
2、管路下坡處的橫管上。
3、當水泵停止時,可能造成真空或負壓處。
4、長距離管線中,每隔1-1.5公里處的橫管處。
5、橫管的最高處,立管的頂端。
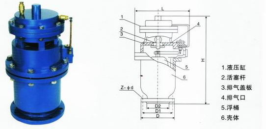
結構圖

主要外形尺寸
型號 | DN | D | D1 | D2 | Z-d | L | H |
QSP1.0 | 16,25,32,45,52 | 195 | 160 | 135 | 4-18 | 300 | 620 |
80 | 195 | 160 | 135 | 8-18 | 500 | 620 | |
100 | 215 | 180 | 155 | 8-18 | 500 | 620 | |
150 | 280 | 240 | 210 | 8-23 | 620 | 740 | |
200 | 340 | 295 | 266 | 8-23 | 620 | 780 | |
250 | 395 | 350 | 319 | 12-23 | 620 | 820 | |
300 | 445 | 400 | 370 | 12-23 | 620 | 850 | |
400 | 565 | 515 | 16-25 | 700 | 910 |
>
全壓高速排氣閥安裝注意事項
1、排氣閥應豎直安裝在橫管上。
2、為方便于維修,排氣閥的下方應安裝一只隔離閥。
3、排氣閥不得安裝于強酸或強堿的環境中。
4、通天排氣閥應該采取防凍措施,一般需砌窯井加以保護及防凍。 QSP全壓高速排氣閥是國內目前最先進的氣缸式排氣閥,在結構性能上完全超越了普通高速(雙口)排氣閥和復合式雙口排氣閥,應用于電廠循環水管道、水庫取水工程、電廠輸水管道化工、自來水公司輸水管等各種工礦的管路上,吸氣和排氣。
服務承諾
(1) 嚴格按照合同要求,提供符合設計標準,質量合格的產品。
(2) 嚴格檢查和控制原材料、原器件、配套件的進廠質量。
(3) 保證所供設備加工工藝完善、檢測手段完備。產品絕不帶缺陷出廠。
(4) 對涉及分包商的供貨、質量、設備性能、技術接口、服務等方面問題全部責任。按合同規定的關鍵部件必須符合有關資質的要求,并經需方認可。
(5) 按合同規定向監造單位提供有關部門標準和圖紙,并為監造提供方便并對監造設備的停工待檢部位提前7天通知需方及監造代表,需方所派監造是督促我方按標準生產合格產品,但并不減我方的一切質量責任。
(6) 對設備制造過程中出現的質量缺陷及時向需方和監造代表通報、不隱瞞。若設備缺陷超過合同規定的標準,供方無條件更換。在安裝和試運行過程中,設備出現質量問題,先處理問題,再分清責任,一切以滿足工程進度需要為準則。
(7) 為所供的設備在制造、運輸、裝卸過程中投保,-旦發生意外,我方將按需要對所供設備盡快進行免費更換、修理,直到需方滿意為止。
(8) 在開箱過程中如發現缺件及其他原因引起的零部件丟失,我方負責盡快免費補齊所缺零部件。在設備的安裝、調試過程中以及今后在設備運行中發現的質量問題,如屬我方原因,我方承擔責任。
(9) 按時向需方提供按合同規定的全部技術資料和圖紙。有義務在必要時邀請需方參與我方的技術設計審核。
(10) 按需方要求的時間到現場進行技術服務,指導需方按我方的技術資料和圖紙的要求進行安裝、試運行及試生產。
(11) 對于需方先購的與合同設備有關的配套設備,我方主動提供滿足設備接口要求的技術條件和資料。
(12) 嚴格執行供需雙方就有關問題召開會議的紀要或協議。
(13) 按合同規定免費為需方舉辦有關設備安裝、調試、使用、維護技術的業務培訓班。
(14) 加強售前、售中、售后服務,把"24小時服務"、"超前服務"、"全過程服務"、 "終身服務"貫徹在產品制造、安裝、調試、大修的全過程。
(15) 接到需方反映的質量問題信息后,在24小時之內作出答復或派出服務人員,盡快到達現場,做到用戶對質量不滿意,服務不停止。
(16) 免費為產品提供終身維護,凡我廠用戶,均建立了詳盡的用戶檔案,我廠售后服務。人員實行定期回訪,巡視制度,指導用戶的日常維護,及時指出并解決可能出現的故障。
(17) 隨時滿足需方對備品備件的要求,終身為用戶提供質優價廉的零配件。
相關新聞
|
||||||||||||||||||||||||
![]() |
||||||||||||||||||||||||
| ||||||||||||||||||||||||









