美國NTG50/2管夾閥
美國NTG50/2管夾閥
美國NTG25/1管夾閥
NTG50/2”閥門,兩吋閥門,主要在電廠脫硫旋流站上使用,配VV100的旋流器,外殼為工程塑料,內襯耐磨防腐橡膠。該產品為美國NTG公司研發并廣泛推廣全世界應用,是電廠以及旋流器的必備閥門。該產品廣泛耐磨,耐腐蝕,耐沖刷,適用范圍非常廣泛。
產品概述
NTG50/2”閥門,兩吋閥門,主要在電廠脫硫旋流站上使用,配VV100的旋流器,外殼為工程塑料,內襯耐磨防腐橡膠。該產品為美國NTG公司研發并廣泛推廣全世界應用,是電廠以及旋流器的必備閥門。該產品廣泛耐磨,耐腐蝕,耐沖刷,適用范圍非常廣泛。
產品特點
1、無阻礙流道,全通徑
2、低流阻
3、無阻塞
4、有殘存顆粒時仍然可以零泄漏關閉
5、無間隙和死角妨礙閥門操作
6、維護費用低
7、設計簡單,不受惡劣外部環境影響
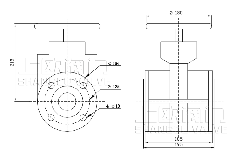
產品連接尺寸圖

產品應用展示






我公司不光有供應NTG管夾閥,更有NTG刀閘閥等NTG公司生產的耐磨性產品供應
管夾閥使用范圍
在當代工業中,常有一些含有顆粒、粉末、纖維、粘漿等磨損性物質的固體或液體產品經由管道輸送,或者一些化學過程中帶有腐蝕性的介質時,夾管閥就是***佳選擇。可用于:
污水處理廠(污泥處理、沙礫清理、原污水、石灰、炭泥)
電廠(FGD系統、除灰系統、煤輸送)
采礦(尾礦、浮選控制、排泥管線、尾礦充填、各種其他漿液)
化學過程(腐蝕性和磨損性介質、粉末、顆粒)
以及造紙廠、紙漿廠、電子工業、食品工業、水泥、沙子、玻璃和工業污水處理廠等很多領域。
|
||||||||||||||||||||||||
![]() |
||||||||||||||||||||||||
| ||||||||||||||||||||||||










